Power Line Communication (PLC)

Hvad er PLC? 

Power line communication (PLC) er en kommunikationsmetode, der bruger det lokale elnet (230V) til at levere en internetforbindelse til andre Power line-enheder (såsom Zaptec Pro ladestationer). PLC-modulet konverterer en standard Ethernet-forbindelse (netværkskabel) til et signal, der sendes over det lokale elnet (strømlinje), hvilket fjerner behovet for separate netværkskabler til hver lader.

  • Se: PLC teori oversigt.
    Videoen bruger en standard hjemme-PLC-adapter. For bedst resultat, brug Zaptec-leveret DIN-skinne PLC-modul.

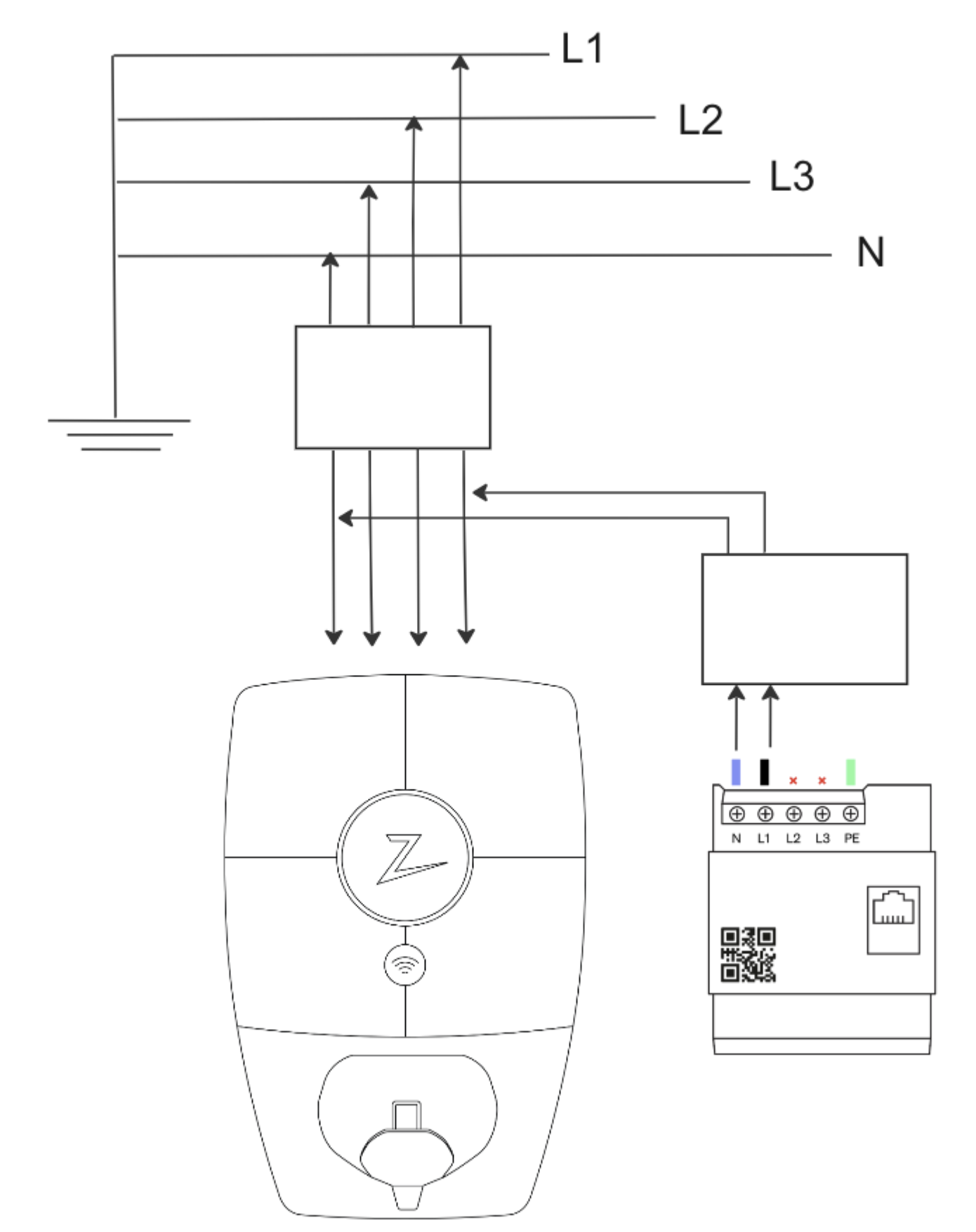
PLC.png

 


 

Krav og bedste praksis

For at sikre pålidelighed: 

  • Minimum ét PLC-modul pr. kreds.
  • Hvert PLC-modul kan understøtte op til ~30 ladere.
  • Sørg for, at beskyttelsesjorden (PE) er i god stand.
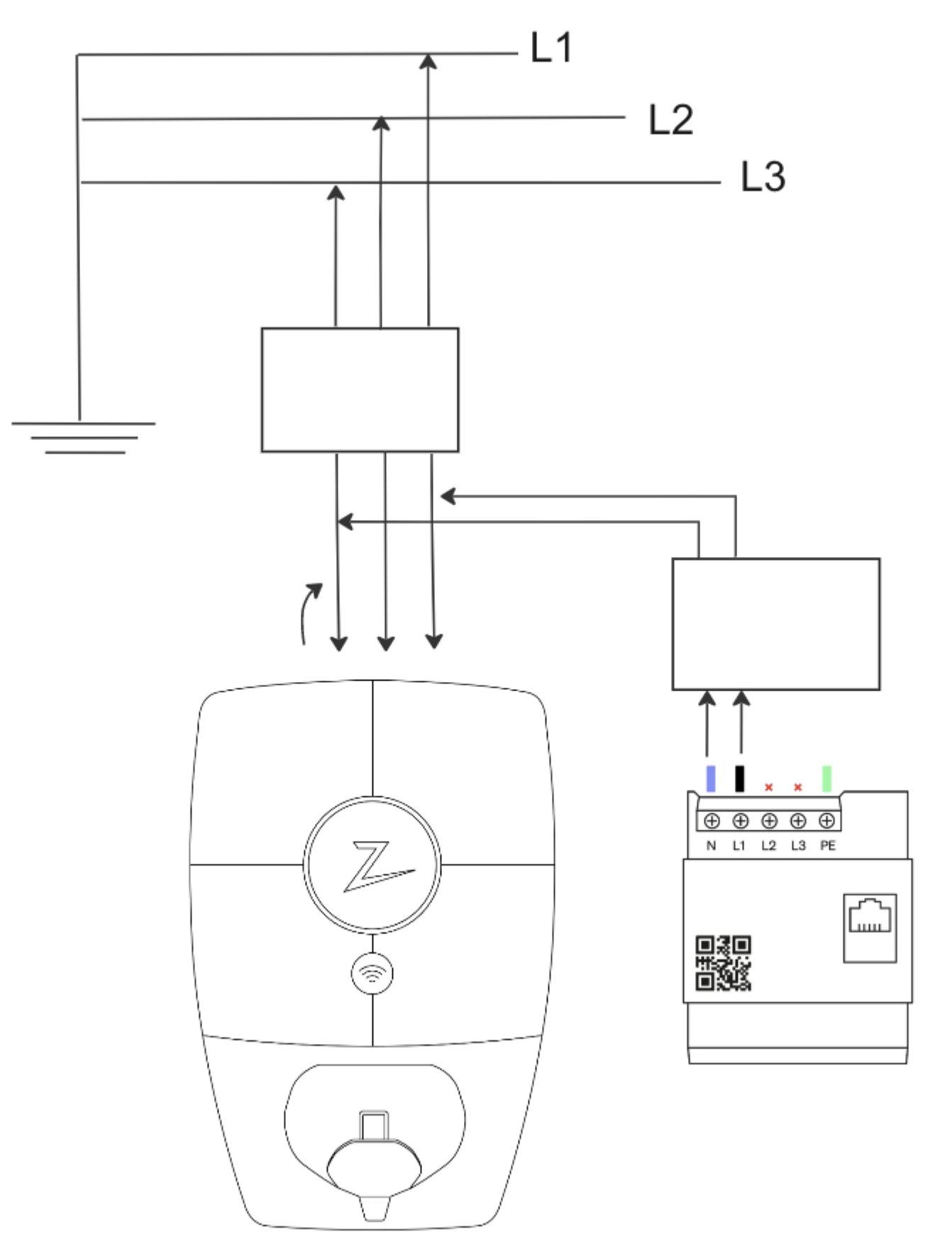
  • Zaptec Pro er forbundet med 3-faset, men PLC-modulet skal altid forbindes 1-faset (L1-N-PE). Ladestationerne kommunikerer på PLC over L1 og N.
  • Bevar samme faseorden i hele ladningssystemet.
  • Hvis kabellængden er lang, kan det være nødvendigt med flere PLC-moduler på samme kreds for at opretholde signalstyrken.
  • Installer PLC-modulet i en kapsling tæt på ladestationerne, helst midt i installationen for jævn signalfordeling.
  • Kabellængden må aldrig være mere end 90 meter.
  • Fjern eller isoler støjkilder fra netværket.
  • Tilslut ikke PLC til trefaset eller til L2, L3, da dette øger kabellængden og reducerer signalstyrken. 

Lange afstande kan påvirke signalet. Den anbefalede kabellængde kan variere afhængigt af nettype, antal ladere og støj fra elnettet. For eksempel kræver IT-systemer kortere kabellængder end TN-systemer.

Zaptec_Pro_PLC_2.jpg

Illustrationen er ikke beregnet til at blive brugt som et ledningsdiagram. PLC-forbindelsen skal beskyttes af en passende sikring. Kredsen til venstre i billedet illustrerer, at du muligvis skal have flere PLC-moduler på én kreds, afhængigt af kabellængden.

 


 

Sådan installeres PLC-modulet 

Zaptec Pro er forbundet 3-faset, og PLC er forbundet 1-faset. Hvis PLC-modulerne er fuldt krypterede, skal ladestationerne konfigureres som beskrevet i proceduren leveret med PLC-modulet. I tabellen nedenfor kan du se installationsdiagrammer for TN- og IT/TT-net.

  1. Monter PLC-modulet på en DIN-skinne, tæt på ladestationerne, helst midt i installationen for jævn signalfordeling.
  2. Tilslut til hovedstrømføringen og et standard Ethernet-kabel.
  3. Det anbefales at installere en 10A sikring før PLC-modulet.
  4. Modulet monteres normalt efter en 63A kursus, men tilslutningsterminalerne er 1,5-2,5 mm². Dette forenkler også fejlfinding og genstart af PLC-modulet.

 

Ledningsdiagrammer
 

        Tilslutning TN system                                                      Tilslutning IT system 

Screenshot_2023-01-10_at_22.52.58.png             Screenshot_2023-01-10_at_22.59.21.png

 


 

PLC modul konfiguration

Efter PLC er monteret, forbind ladestationerne til PLC-netværket via Zaptec App. 

Moduler købt efter nov. 2019 leveres forudkrypteret med en QR-kode.
Moduler købt før nov. 2019 kræver manuel nøgleindtastning. 

Trin (gentag for hver ladestation)

  1. Åbn Zaptec App og tryk på de tre prikker (øverst til højre).
  2. Vælg Konfigurer produkter og forbind via Bluetooth med PIN-koden.
  3. Gå til Netværksindstillinger > Konfigurer PLC.
  4. Tryk på Scan netværksnavn og brug kameraet til at scanne QR-koden på PLC-modulet. (iPhone-brugere kan uploade billeder fra galleriet).
  5. Tryk på Gem for at forbinde.

6.5-inch_Screenshot_3.jpg6.5-inch_Screenshot_2.jpg6.5-inch_Screenshot_4.jpg

Brug den eksisterende netværksnøgle til at tilføje en anden ladestation:

  1. Åbn Zaptec App og tryk på de tre prikker (øverst til højre).
  2. Vælg Konfigurer produkter og forbind via Bluetooth med PIN-koden.
  3. Kopiér netværksnøglen fra en online ladestation.
  4. Følg samme procedure på den nye ladestation og indsæt netværksnøglen i sidste afsnit under Indstil netværksnøgle. Husk at trykke på Gem.

 


 

PLC modul indikatorlys 
 

Ikon Farve Status

mceclip1.png

Grøn PLC er tilsluttet strøm 

mceclip1.png

Intet lys PLC er ikke tilsluttet strøm

mceclip2.png

Rød PLC kommunikerer med lader(e)

mceclip2.png

Grøn PLC kommunikerer ikke med andre enheder på PLC-netværket. Dette kan skyldes, at laderne ikke er krypteret med samme krypteringsnøgle som PLC  

mceclip3.png

Grøn PLC er tilsluttet netværksrouter 

mceclip3.png

Intet lys   PLC er ikke tilsluttet en åben port på routeren. Selvom den kommunikerer med routeren, betyder det ikke, at den har adgang til internettet.

 

 


 

Fejlfinding 

Faktorer, der kan påvirke signalstyrken i PLC-netværket:
 

Kabellængde

  • Kabellængden har direkte indflydelse på signalstyrken for ladestationerne.
  • Brug minimum én PLC-enhed pr. kabelstrækning/kursus.
  • Placer PLC-modulet tæt på ladestationerne, især hvis forsyningen fra tavlen er langt væk.
  • Ladestationerne kommunikerer med PLC kun mellem L1 + N + PE.
  • Forbindelse til L2 og L3 terminaler vil føre til øget kabellængde, som enhederne forsøger at kommunikere over.
     

Antal tilsluttede enheder

  • Et PLC-modul har en grænse for, hvor mange enheder det kan kommunikere med. Den generelle anbefaling er 30 ladestationer pr. PLC-modul.  Overskrides dette antal, vil det føre til ustabil kommunikation over PLC.
  • Isolér PLC-kommunikation på hver kursus ved at kryptere PLC-modulet og tilknyttede ladestationer.
  • Minimum én PLC-enhed pr. kabelstrækning/kursus.

 

Jordingsforhold

  • PLC-kommunikation bruger jordforbindelsen til at positionere frekvensområdet. Dårlig jordforbindelse reducerer rækkevidde og stabilitet.
  • Hvis jordforbindelsen er utilstrækkelig eller påvirket af eksterne faktorer som jordfejl, kan dette resultere i, at PLC ikke kan opretholde tilstrækkelig signal kvalitet for stabil kommunikation.

 

Elektrisk støj og lokale strømafbrydelser

  • Støj fra eksterne kilder, som frekvensomformere, kan forstyrre PLC-signaler.
  • Det kan være svært at kortlægge, men dette kan begrænses ved at installere et filter før PLC-modulet.

 


 

Brug for mere hjælp?

 

 

 

Opdateret

Var denne artikel en hjælp?

42 ud af 60 fandt dette nyttigt

Har du flere spørgsmål? Indsend en anmodning