Power Line Communication (PLC)

Was ist PLC? 

Power Line Communication (PLC) ist eine Kommunikationsmethode, die das lokale Stromnetz (230 V) nutzt, um eine Internetverbindung zu anderen Power Line Geräten (wie Zaptec Pro Ladestationen) bereitzustellen. Das PLC-Modul wandelt eine Standard-Ethernet-Verbindung (Netzwerkkabel) in ein Signal um, das über das lokale Stromnetz (Stromleitung) gesendet wird, wodurch separate Netzwerkkabel zu jedem Ladestation entfallen.

  • Ansehen: Überblick zur PLC-Theorie.
    Das Video verwendet einen Standard-Heim-PLC-Adapter. Für beste Ergebnisse verwenden Sie das von Zaptec bereitgestellte DIN-Schienen-PLC-Modul.

PLC.png

 


 

Anforderungen und bewährte Verfahren

Für Zuverlässigkeit: 

  • Mindestens ein PLC-Modul pro Stromkreis.
  • Jedes PLC-Modul kann bis zu ca. 30 Ladestation unterstützen.
  • Stellen Sie sicher, dass der Schutzleiter (PE) in gutem Zustand ist.
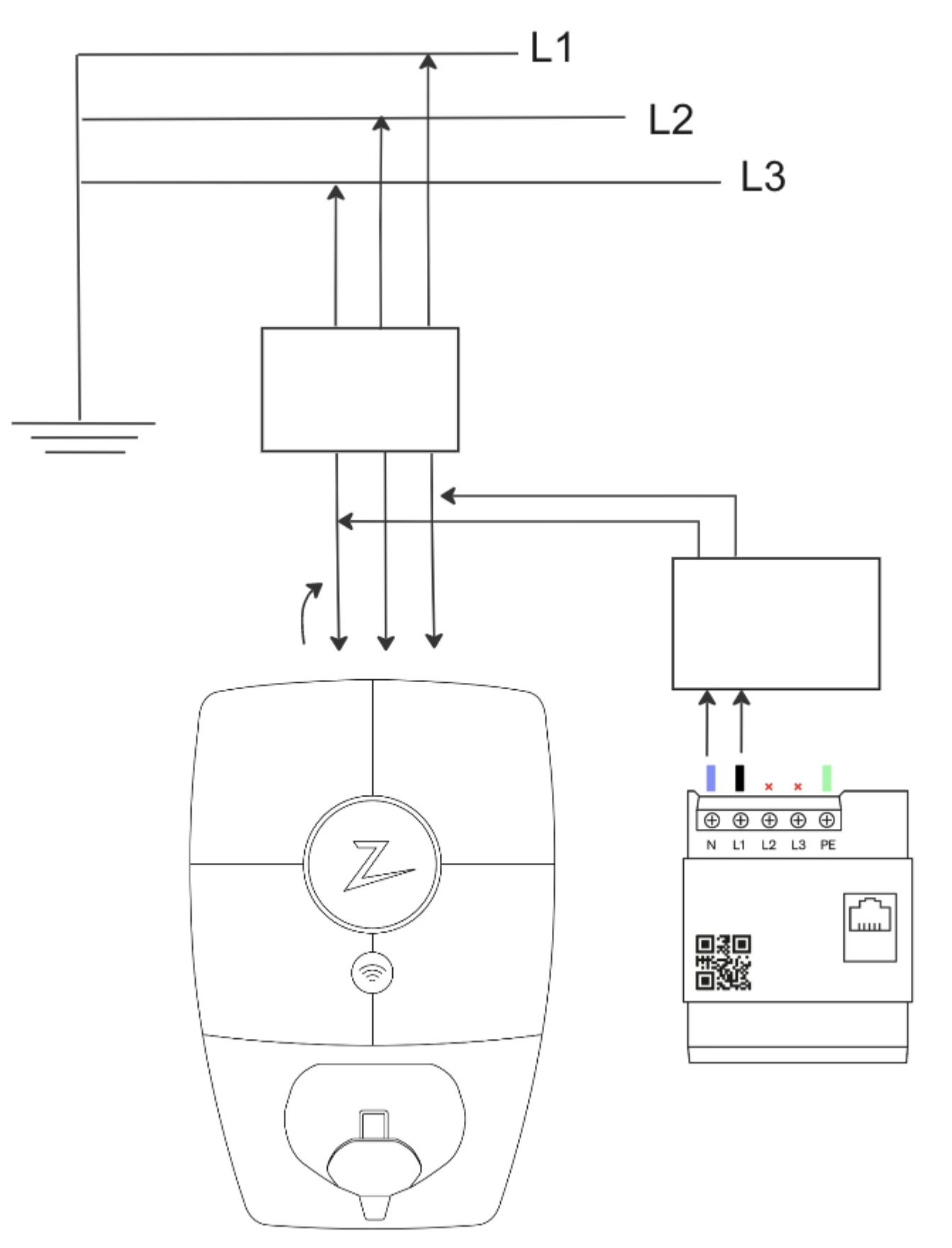
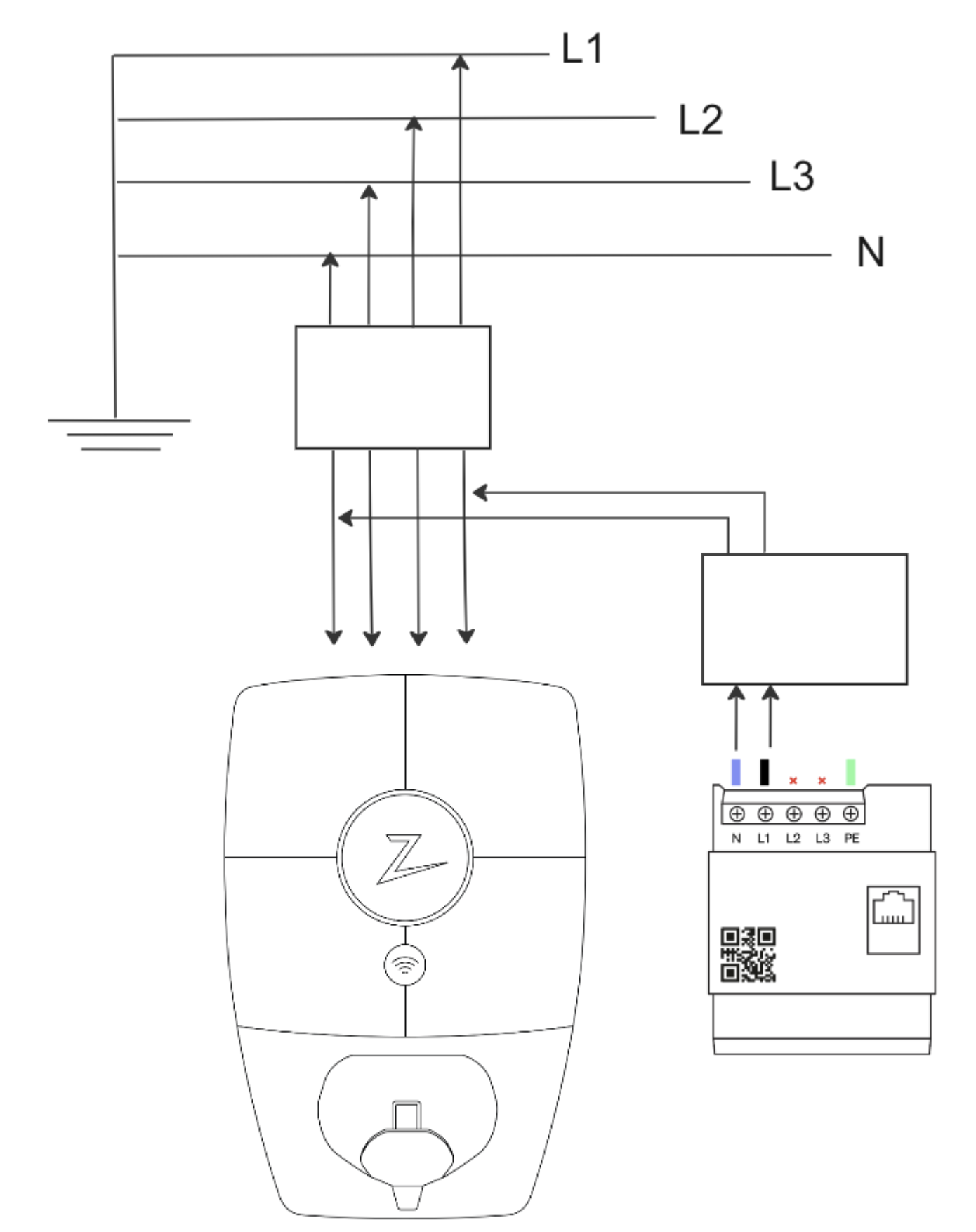
  • Zaptec Pro ist dreiphasig verdrahtet, das PLC-Modul sollte jedoch immer einphasig verdrahtet werden (L1-N-PE). Ladestationen kommunizieren über PLC über L1 und N.
  • Behalten Sie die gleiche Phasenfolge im gesamten Ladesystem bei.
  • Bei langen Kabelstrecken sind möglicherweise mehrere PLC-Module im selben Stromkreis erforderlich, um die Signalstärke aufrechtzuerhalten.
  • Installieren Sie das PLC-Modul in einem Gehäuse in der Nähe der Ladestationen, vorzugsweise in der Mitte der Installation für eine gleichmäßige Signalverteilung.
  • Die Kabellänge darf niemals mehr als 90 Meter betragen.
  • Entfernen oder isolieren Sie Störquellen im Netzwerk.
  • Schließen Sie das PLC nicht dreiphasig oder an L2, L3 an, da dies die Kabellänge erhöht und die Signalstärke verringert. 

Lange Distanzen können das Signal beeinträchtigen. Die empfohlene Kabellänge kann je nach Netztyp, Anzahl der Ladestation und Störungen aus dem Stromnetz variieren. Beispielsweise erfordern IT-Systeme kürzere Kabelstrecken als TN-Systeme.

Zaptec_Pro_PLC_2.jpg

Die Abbildung ist nicht als Verdrahtungsplan gedacht. Die PLC-Verbindung muss durch einen entsprechend bemessenen Leitungsschutzschalter geschützt werden. Der Stromkreis auf der linken Seite des Bildes zeigt, dass je nach Kabellänge mehrere PLC-Module in einem Stromkreis erforderlich sein können.

 


 

So installieren Sie das PLC-Modul 

Zaptec Pro ist dreiphasig verdrahtet, das PLC ist einphasig verdrahtet. Wenn die PLC-Module vollständig verschlüsselt sind, konfigurieren Sie die Ladestationen wie im mit dem PLC-Modul gelieferten Verfahren beschrieben. In der folgenden Tabelle sehen Sie Installationsdiagramme für TN- und IT/TT-Netze.

  1. Montieren Sie das PLC-Modul auf einer DIN-Schiene in der Nähe der Ladestationen, vorzugsweise in der Mitte der Installation für eine gleichmäßige Signalverteilung.
  2. Verbinden Sie es mit der Hauptstromverkabelung und einem Standard-Ethernet-Kabel.
  3. Es wird empfohlen, eine 10A Sicherung vor dem PLC-Modul zu installieren.
  4. Das Modul wird üblicherweise nach einem 63A-Leitungsschutzschalter montiert, jedoch sind die Anschlussklemmen für 1,5-2,5 mm² ausgelegt. Dies erleichtert auch die Fehlersuche und den Neustart des PLC-Moduls.

 

Verdrahtungsdiagramme
 

        Anschluss TN-System                                                      Anschluss IT-System 

Screenshot_2023-01-10_at_22.52.58.png             Screenshot_2023-01-10_at_22.59.21.png

 


 

PLC-Modul Konfiguration

Nachdem das PLC montiert ist, verbinden Sie die Ladestationen mit dem PLC-Netzwerk über die Zaptec App. 

Module, die nach November 2019 gekauft wurden, kommen mit einer vorinstallierten Verschlüsselung und einem QR-Code.
Module, die vor November 2019 gekauft wurden, erfordern die manuelle Eingabe des Schlüssels. 

Schritte (für jede Ladestation wiederholen)

  1. Öffnen Sie die Zaptec App und tippen Sie auf das Drei-Punkte-Symbol (oben rechts).
  2. Wählen Sie Produkte konfigurieren und verbinden Sie sich per Bluetooth mit dem PIN-Code.
  3. Gehen Sie zu Netzwerkeinstellungen > PLC konfigurieren.
  4. Tippen Sie auf Netzwerknamen scannen und verwenden Sie die Kamera, um den QR-Code auf dem PLC-Modul zu scannen. (iPhone-Nutzer können Bilder aus der Galerie hochladen).
  5. Tippen Sie auf Speichern, um die Verbindung herzustellen.

6.5-inch_Screenshot_3.jpg6.5-inch_Screenshot_2.jpg6.5-inch_Screenshot_4.jpg

Verwenden Sie den vorhandenen Netzwerkschlüssel, um eine weitere Ladestation hinzuzufügen:

  1. Öffnen Sie die Zaptec App und tippen Sie auf das Drei-Punkte-Symbol (oben rechts).
  2. Wählen Sie Produkte konfigurieren und verbinden Sie sich per Bluetooth mit dem PIN-Code.
  3. Kopieren Sie den Netzwerkschlüssel von einer online verbundenen Ladestation.
  4. Folgen Sie dem gleichen Verfahren bei der neuen Ladestation und fügen Sie den Netzwerkschlüssel im letzten Abschnitt unter Netzwerkschlüssel setzen ein. Denken Sie daran, auf Speichern zu tippen.

 


 

PLC-Modul Kontrollleuchte 
 

Symbol Farbe Status

mceclip1.png

Grün PLC ist mit Strom verbunden 

mceclip1.png

Keine Leuchte PLC ist nicht mit Strom verbunden

mceclip2.png

Rot PLC kommuniziert mit Ladestation

mceclip2.png

Grün PLC kommuniziert nicht mit anderen Einheiten im PLC-Netzwerk. Dies kann daran liegen, dass die Ladestation nicht mit dem gleichen Verschlüsselungsschlüssel wie das PLC verschlüsselt sind. 

mceclip3.png

Grün PLC ist mit dem Netzwerkrouter verbunden 

mceclip3.png

Keine Leuchte   PLC ist nicht mit einem offenen Port am Router verbunden. Auch wenn eine Kommunikation mit dem Router besteht, bedeutet dies nicht, dass ein Internetzugang vorhanden ist.

 

 


 

Fehlerbehebung 

Faktoren, die die Signalstärke des PLC-Netzwerks beeinflussen können:
 

Kabellänge

  • Die Kabellänge wirkt sich direkt auf die Signalstärke der Ladestationen aus.
  • Verwenden Sie mindestens eine PLC-Einheit pro Kabelstrecke/Stromkreis.
  • Platzieren Sie das PLC-Modul nahe bei den Ladestationen, besonders wenn die Versorgung vom Verteilerkasten weit entfernt ist.
  • Die Ladestationen kommunizieren mit dem PLC nur über L1 + N + PE.
  • Anschlüsse an den Klemmen L2 und L3 führen zu einer erhöhten Kabellänge, über die die Geräte versuchen zu kommunizieren.
     

Anzahl der angeschlossenen Geräte

  • Ein PLC-Modul hat eine Begrenzung der Anzahl der Geräte, mit denen es kommunizieren kann. Die allgemeine Empfehlung sind 30 Ladestationen pro PLC-Modul.  Eine Überschreitung dieser Anzahl führt zu instabiler Kommunikation über PLC.
  • Isolieren Sie die PLC-Kommunikation auf jedem Stromkreis, indem Sie das PLC-Modul und die zugehörigen Ladestationen verschlüsseln.
  • Mindestens eine PLC-Einheit pro Kabelstrecke/Stromkreis.

 

Erdungsbedingungen

  • Die PLC-Kommunikation nutzt die Erdungsverbindung zur Positionierung des Frequenzbereichs. Schlechte Erdung verringert Reichweite und Stabilität.
  • Ist die Erdungsverbindung unzureichend oder durch externe Faktoren wie Erdschlussfehler beeinträchtigt, kann dies dazu führen, dass das PLC keine ausreichende Signalqualität für eine stabile Kommunikation aufrechterhalten kann.

 

Elektrische Störungen und lokale Stromausfälle

  • Störungen durch externe Quellen, wie Frequenzumrichter, können PLC-Signale beeinträchtigen.
  • Dies ist schwer zu erfassen, kann aber durch die Installation eines Filters vor dem PLC-Modul begrenzt werden.

 


 

Benötigen Sie weitere Hilfe?

 

 

 

Aktualisiert

War dieser Beitrag hilfreich?

42 von 60 fanden dies hilfreich

Haben Sie Fragen? Anfrage einreichen