Powerline kommunikasjon (PLC)

Zaptec Pro ladere kan bruke Wi-Fi, LTE eller PLC nettverk som internettilkobling. I denne artikkelen kan du lære mer om hvordan å bruke og sette opp et PLC nettverk.

 


 

Hva er PLC? 

Power line communication (PLC) er en kommunikasjonsmetode som bruker det lokale strømnettet (230V) for å gi en internettforbindelse til andre Power line-enheter (som Zaptec Pro ladestasjoner). PLC-modulen konverterer en standard Ethernet-tilkobling (nettverkskabel) til et signal som sendes over det lokale strømnettet (strømlinje), noe som fjerner behovet for separate nettverkskabler til hver lader.

  • Se: Oversikt over PLC-teori.
    Videoen bruker en standard hjemme-PLC-adapter. For best resultat, bruk DIN-skinne PLC-modulen levert av Zaptec.

PLC.png

 

Krav og best praksis

For å sikre pålitelighet: 

  • Minimum én PLC-modul per kurs.
  • Hver PLC-modul kan støtte opptil ~30 ladere.
  • Sørg for at beskyttelsesjording (PE) er i god stand.
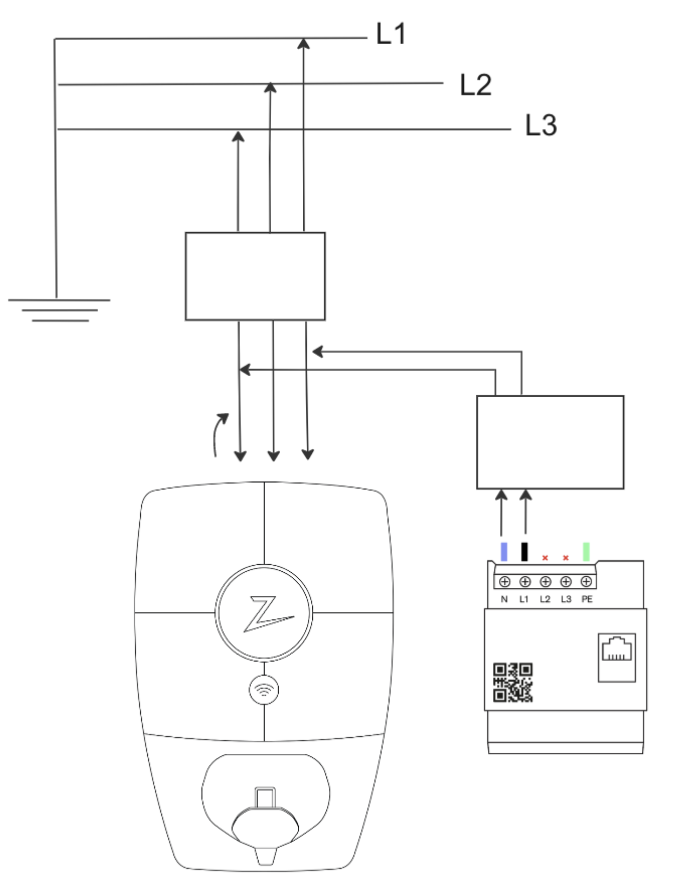
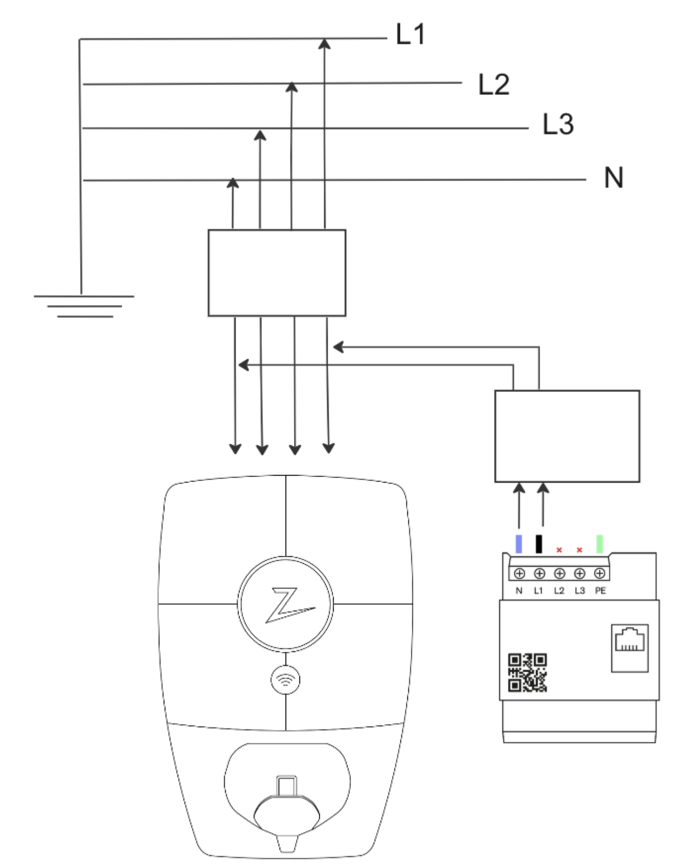
  • Zaptec Pro er koblet 3-fase, men PLC-modulen skal alltid kobles 1-fase (L1-N-PE). Ladestasjonene kommuniserer på PLC over L1 og N.
  • Oppretthold samme fase-rekkefølge i hele ladesystemet.
  • Hvis kabelstrekket er langt, kan det være nødvendig med flere PLC-moduler på samme kurs for å opprettholde signalstyrken.
  • Installer PLC-modulen i et skap nær ladestasjonene, helst midt i installasjonen for jevn signalfordeling.
  • Kabelens lengde må aldri overstige 90 meter.
  • Fjern eller isoler støykilder fra nettverket.
  • Ikke koble PLC til trefase eller til L2, L3, da dette øker kabellengden og reduserer signalstyrken. 

Store avstander kan påvirke signalet. Anbefalt kabellengde kan variere avhengig av nettetype, antall ladere og støy fra strømnettet. For eksempel krever IT-systemer kortere kabellengder enn TN-systemer.

Zaptec_Pro_PLC_2.jpg
Illustrasjonen er ikke ment å brukes som en koblingsskjema. PLC-tilkoblingen må beskyttes av en egnet sikring med riktig bryterverdi. Kretsen på venstre side av bildet illustrerer at du kan trenge flere PLC-moduler på en kurs, avhengig av kabellengden.

 


 

Hvordan installere PLC-modulen 

Zaptec Pro er koblet 3-fase, og PLC er koblet 1-fase. Hvis PLC-modulene er fullstendig krypterte, konfigurer ladestasjonene som beskrevet i prosedyren som følger med PLC-modulen. I tabellen nedenfor kan du se installasjonsdiagrammer for TN- og IT/TT-nett.

  1. Monter PLC-modulen på DIN-skinne, nær ladestasjonene, helst midt i installasjonen for jevn signalfordeling.
  2. Koble til hovedstrømkabelen og en standard Ethernet-kabel.
  3. Det anbefales å installere en 10A sikring før PLC-modulen.
  4. Modulen monteres vanligvis etter en 63A kurs, men tilkoblingsterminalene er 1,5-2,5 mm². Dette forenkler også feilsøking og omstart av PLC-modulen.

 

Koblingsskjemaer
 

        Kobling TN-system                                                      Kobling IT-system 

Screenshot_2023-01-10_at_22.52.58.png             Screenshot_2023-01-10_at_22.59.21.png

 


 

PLC-modul konfigurasjon

Etter at PLC er montert, koble ladestasjonene til PLC-nettverket ved hjelp av Zaptec App. 

Moduler kjøpt etter nov. 2019 leveres forhåndskryptert med en QR-kode.
Moduler kjøpt før nov. 2019 krever manuell nøkkelinnføring. 

 

Etter november 2019:

Skjermbilde_2020-06-14_kl._18.00.11.png

 Før november 2019:

Skjermbilde_2020-06-23_kl._16.51.56.png


 

Trinn (gjenta for hver ladestasjon)

Følg disse stegene under for å koble ladestasjon til PLC modul med QR-kode.

  1. Åpne Zaptec App og trykk på tre-punkts-ikonet (øverst til høyre).
  2. Velg Konfigurer produkter og koble til via Bluetooth med PIN-kode.
  3. Gå til Nettverksinnstillinger > Konfigurer PLC.
  4. Trykk på Skann nettverksnavn og bruk kameraet til å skanne QR-koden på PLC-modulen. (iPhone-brukere kan laste opp bilder fra galleriet).
  5. Trykk Lagre og ladestasjonen vil motta IP adresse fra nettverket.

6.5-inch_Screenshot_3.jpg6.5-inch_Screenshot_2.jpg6.5-inch_Screenshot_4.jpg

Bruk eksisterende nettverksnøkkel for å legge til en annen ladestasjon:

PLC moduler kjøpt før november 2019 er uten krypteringsnøkkel og QR-kode.

Kopier krypteringsnøkkel fra en ladestasjon som er på nett

  1. Åpne Zaptec App og trykk på tre-punkts-ikonet (øverst til høyre).
  2. Velg Konfigurer produkter og koble til via Bluetooth med PIN-kode.
  3. Kopier nettverksnøkkelen fra en online ladestasjon.
  4. Følg samme prosedyre på den nye ladestasjonen og lim inn nettverksnøkkelen i siste avsnitt under Sett nettverksnøkkel. Husk å trykke Lagre.

 


 

PLC-modul indikatorlys 
 

Ikon Farge Status
mceclip1.png
Grønn PLC er koblet til strøm 
mceclip1.png
Ingen lys PLC er ikke koblet til strøm
mceclip2.png
Rød PLC kommuniserer med lader(e)
mceclip2.png
Grønn PLC kommuniserer ikke med andre enheter på PLC-nettverket. Dette kan skyldes at laderne ikke er kryptert med samme krypteringsnøkkel som PLC  
mceclip3.png
Grønn PLC er koblet til nettverksruter 
mceclip3.png
Ingen lys   PLC er ikke koblet til åpen port på ruteren. Selv om den kommuniserer med ruteren, betyr det ikke at den har tilgang til internett.

 

 


 

Feilsøking 

Faktorer som kan påvirke signalstyrken til PLC-nettverket:
 

Kabellengde

  • Kabellengde har direkte effekt på signalstyrken til ladestasjonene.
  • Bruk minimum én PLC-enhet per kabelstrekk/kurs.
  • Plasser PLC-modulen nær ladestasjonene, spesielt hvis forsyningen fra sikringsskapet er langt unna.
  • Ladestasjonene kommuniserer med PLC kun mellom L1 + N + PE.
  • Tilkobling på L2- og L3-terminalene vil føre til økt kabellengde for enhetene som prøver å kommunisere.
     

Antall tilkoblede enheter

  • En PLC-modul har en grense for antall enheter den kan kommunisere med. Den generelle anbefalingen er 30 ladestasjoner per PLC-modul.  Å overskride dette antallet vil føre til ustabil kommunikasjon over PLC.
  • Isoler PLC-kommunikasjon på hver kurs ved å kryptere PLC-modulen og tilhørende ladestasjoner.
  • Minimum én PLC-enhet per kabelstrekk/kurs.

 

Jordingsforhold

  • PLC-kommunikasjon bruker jordingsforbindelsen for å posisjonere frekvensområdet. Dårlig jording reduserer rekkevidde og stabilitet.
  • Hvis jordingsforbindelsen er utilstrekkelig eller påvirket av eksterne faktorer som jordfeil, kan dette føre til at PLC ikke klarer å opprettholde tilstrekkelig signal kvalitet for stabil kommunikasjon.

 

Elektrisk støy og lokale strømbrudd

  • Støy fra eksterne kilder, som frekvensomformere, kan forstyrre PLC-signaler.
  • Det kan være vanskelig å kartlegge, men dette kan begrenses ved å installere et filter før PLC-modulen.

 


 

Trenger du mer hjelp?

 

 

 

Oppdatert

Var denne artikkelen nyttig?

42 av 60 syntes dette var nyttig

Har du flere spørsmål? Send oss en henvendelse