Power Line Communication (PLC)

Vad är PLC? 

Power line communication (PLC) är en kommunikationsmetod som använder det lokala elnätet (230V) för att tillhandahålla en internetanslutning till andra Power line-enheter (såsom Zaptec Pro laddstationer). PLC-modulen omvandlar en standard Ethernet-anslutning (nätverkskabel) till en signal som skickas över det lokala elnätet (kraftledning), vilket eliminerar behovet av separata nätverkskablar till varje laddare.

  • Titta på: Översikt av PLC-teori.
    Videon använder en standard hushålls-PLC-adapter. För bästa resultat, använd den DIN-skena PLC-modul som levereras av Zaptec.

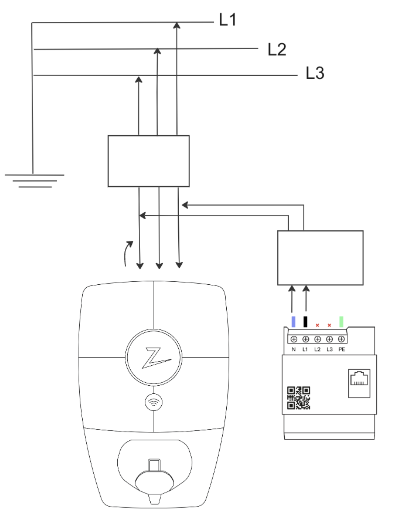
PLC.png

 


 

Krav och bästa praxis

För att säkerställa tillförlitlighet: 

  • Minst en PLC-modul per krets.
  • Varje PLC-modul kan stödja upp till ~30 laddare.
  • Säkerställ att skyddsjorden (PE) är i gott skick.
  • Zaptec Pro är inkopplad som trefas, men PLC-modulen ska alltid kopplas som enfas (L1-N-PE). Laddstationerna kommunicerar på PLC över L1 och N.
  • Behåll samma fasordning över hela laddsystemet.
  • Om kabelsträckan är lång kan det behövas flera PLC-moduler på samma krets för att bibehålla signalstyrkan.
  • Installera PLC-modulen i en kapsling nära laddstationerna, helst i mitten av installationen för jämn signaldistribution.
  • Kabellängden får aldrig överstiga 90 meter.
  • Ta bort eller isolera störningskällor från nätverket.
  • Anslut inte PLC trefas eller till L2, L3, eftersom detta ökar kabellängden och minskar signalstyrkan. 

Långa avstånd kan påverka signalen. Den rekommenderade kabellängden kan variera beroende på nätverkstyp, antal laddare och störningar från elnätet. Till exempel kräver IT-system kortare kabeldragningar än TN-system.

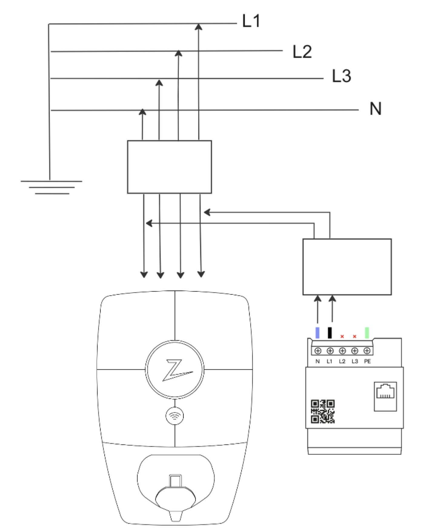
Zaptec_Pro_PLC_2.jpg
Illustrationen är inte avsedd att användas som kopplingsschema. PLC-anslutningen måste skyddas av en lämpligt dimensionerad säkring. Kretsen på vänster sida av bilden illustrerar att du kan behöva flera PLC-moduler på en krets, beroende på kabellängden.

 


 

Hur man installerar PLC-modulen 

Zaptec Pro är inkopplad som trefas, och PLC är inkopplad som enfas. Om PLC-modulerna är fullt krypterade, konfigurera laddstationerna enligt proceduren som medföljer PLC-modulen. I tabellen nedan kan du se installationsscheman för TN- och IT/TT-nät.

  1. Montera PLC-modulen på DIN-skena nära laddstationerna, helst i mitten av installationen för jämn signaldistribution.
  2. Anslut till huvudströmförsörjningen och en standard Ethernet-kabel.
  3. Det rekommenderas att installera en 10A säkring före PLC-modulen.
  4. Modulen monteras vanligtvis efter en 63A kurs, men anslutningsterminalerna är 1,5-2,5 mm². Detta förenklar också felsökning och omstart av PLC-modulen.

 

Kopplingsscheman
 

        Anslutning TN-system                                                      Anslutning IT-system 

Screenshot_2023-01-10_at_22.52.58.png             Screenshot_2023-01-10_at_22.59.21.png

 


 

Konfiguration av PLC-modul

Efter att PLC är monterad, anslut laddstationerna till PLC-nätverket med hjälp av Zaptec-appen. 

Moduler inköpta efter nov. 2019 levereras förkrypterade med en QR-kod.
Moduler inköpta före nov. 2019 kräver manuell nyckelinmatning. 

Steg (upprepa för varje laddstation)

  1. Öppna Zaptec-appen och tryck på ikonen med tre prickar (uppe till höger).
  2. Välj Konfigurera produkter och anslut via Bluetooth med PIN-koden.
  3. Gå till Nätverksinställningar > Konfigurera PLC.
  4. Tryck på Skanna nätverksnamn och använd kameran för att skanna QR-koden på PLC-modulen. (iPhone-användare kan ladda upp bilder från galleriet).
  5. Tryck på Spara för att ansluta.

6.5-inch_Screenshot_3.jpg6.5-inch_Screenshot_2.jpg6.5-inch_Screenshot_4.jpg

Använd den befintliga nätverksnyckeln för att lägga till en annan laddstation:

  1. Öppna Zaptec-appen och tryck på ikonen med tre prickar (uppe till höger).
  2. Välj Konfigurera produkter och anslut via Bluetooth med PIN-koden.
  3. Kopiera nätverksnyckeln från en online-laddstation.
  4. Följ samma procedur på den nya laddstationen och klistra in nätverksnyckeln i sista stycket under Ange nätverksnyckel. Kom ihåg att trycka på Spara.

 


 

PLC-modulens indikatorlampa 
 

Ikon Färg Status
mceclip1.png
Grön PLC är ansluten till ström 
mceclip1.png
Ingen lampa PLC är inte ansluten till ström
mceclip2.png
Röd PLC kommunicerar med laddare(r)
mceclip2.png
Grön PLC kommunicerar inte med andra enheter i PLC-nätverket. Detta kan bero på att laddarna inte är krypterade med samma krypteringsnyckel som PLC  
mceclip3.png
Grön PLC är ansluten till nätverksroutern 
mceclip3.png
Ingen lampa   PLC är inte ansluten till en öppen port på routern. Även om den kommunicerar med routern betyder det inte att den har tillgång till internet.

 

 


 

Felsökning 

Faktorer som kan påverka signalstyrkan i PLC-nätverket:
 

1. Kabelns totala längd

Kabellängden har en direkt effekt på laddningsstationernas signalstyrka.

Förutom att ha en PLC per grupp/slinga är det viktigt att beakta PLC-modulens placering.

Om försörjningen från elcentralen är placerad långt bort från laddningssystemet bör PLC-modulen placeras närmare laddningsstationerna.

Laddningsstationerna kommunicerar med PLC:n endast mellan L1 + N + PE.

Anslutning på terminalerna L2 och L3 leder till ökad kabellängd som enheterna försöker kommunicera över.

 

2. Antal anslutna enheter

En PLC-modul har en gräns för hur många enheter den kan kommunicera med. Om detta antal överskrids leder det till instabil kommunikation över PLC. Det är därför viktigt att isolera PLC-kommunikationen på varje kurs genom att kryptera PLC-modulen och tillhörande laddningsstationer.

Den allmänna rekommendationen är 20 laddningsstationer per PLC-modul.

Minimum en PLC-enhet per kabeldragning/bana.

 

3. Jordningsförhållanden

PLC-kommunikation använder jordförbindelsen för att positionera frekvensområdet.

Utan en jordanslutning kommer PLC-kommunikationsområdet att minskas avsevärt.

Om jordanslutningen är otillräcklig eller påverkas av externa faktorer (t.ex. jordfel) kan detta leda till att PLC:n inte kan upprätthålla tillräcklig signalkvalitet för stabil kommunikation.

 

4. Lokala strömavbrott

Buller från externa källor (t.ex. frekvensomvandlare etc.) kan vara svårt att kartlägga, men detta kan begränsas genom att installera ett filter före PLC-modulen.

 

5. Internetanslutning

Säkerställ att ni har en uppkoppling via kabeln som är ansluten till PLC-enheten genom att koppla in den i en dator. Det kan vara så att man behöver öppna en port i switchen dit nätverkskabeln är kopplad. Detta är fastighetsägarens/IT-ansvariges ansvar. Oftast kontaktar man ISP:n för att aktivera detta.

 

6. Visuell indikation på PLC-enheten

En korrekt installerad PLC indikerar "grönt-rött-grönt" på enhetens tre led-lampor. Den första indikerar att enheten har ström. Den andra indikerar (med rött ljus) att enheten "ser" andra PLC-enheter på slingan och den tredje indikerar att den är ansluten till en router eller switch och blinkar om det går trafik där (OBS! detta säkerställer inte att man har en internetuppkoppling, endast att man har kommunikation med switch/router).

 


 

Behöver du mer hjälp?

 

 

 

Uppdaterad

Var denna artikel till hjälp?

42 av 60 tyckte detta var till hjälp

Har du fler frågor? Skicka en förfrågan